Стоимость с НДС:
по запросу
Наличие на складе:
в наличии
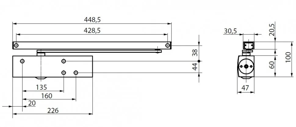
TS 1500 G – Дверной доводчик верхнего расположения со скользящей шиной
Доводчик верхнего расположения TS 1500 G для одностворчатых дверей предназначен для внутренних дверей с дверными створками шириной до 750 мм.
Характеристики продукта
- Доводчик TS 1500 со скользящей шиной для дверей со створкой шириной до 750 мм
- Закрывающее усилие неизм. EN 1
- Можно использовать для дверей с правым и левым упором без перестановки
- Стандартный монтаж на дверное полотно
- Можно регулировать гидравлический конечный дохлоп и скорость закрывания
- Цвета-белый, серебристый, темно-коричневый.

Монтажная схема





